概述
全中文顯示操作菜單,實時漢字顯示閥位值、報警信息、操作狀態及方式,直觀、易學、易懂、易操作;
采用絕對編碼器代替傳統電位器作位置傳感器,實現角度任意定位,無死區,控制精度更高,壽命更長;
電動裝置的功能、參數設定,通過遙控器或現場旋扭操作,無需開蓋調試,真正實現非侵入式設計;
電動裝置的控制系統具有自動鑒別相序、斷相、過熱、過載保護,ESD緊急操作功能;
提供5個現場可編程單穩態繼電器,可任意組態反饋信號。

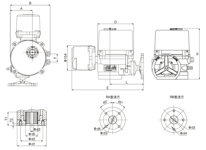
外形尺寸(mm)

型號 | 法蘭 | A | B | D | E | F | L | H | T1 | T2 | φd1 | φd2 | φd3 | φd4 | φd5 | |
LQ1-6/10Y | RA | F05 | 90.5 | 182.5 | φ157 | 373 | 46 | 167 | 229 | 42 | 3 | φ92 | φ50 | 11×11 14×14 17×17 | 4-M6 深 12 | φ39 |
F07 | φ70 | 4-M8 深 12 | ||||||||||||||
RB | 2".3" | φ57.15 | 4-M6 深 12 | |||||||||||||
LQ2-16/20/24Y | RA | F07 | 126.5 | 232 | φ206 | 431 | 50 | 197 | 261 | 49 | 3 | φ132 | φ70 | 14×14 17×17 22×22 | 4-M8 深 15 | φ48.5 |
F10 | φ102 | 4-M10 深 15 | ||||||||||||||
RB | 4".5".6" | φ69.85 | 4-M10 深 15 | |||||||||||||
LQ3-35/50Y | RA | F10 | 136.5 | 247 | φ222 | 442 | 50 | 208 | 315 | 51 | 5 | φ146 | φ102 | 14×14 17×17 22×22 | 4-M10 深 15 | φ48.5 |
F12 | φ125 | 4-M12 深 15 | ||||||||||||||
RB | 8".10" | φ88.9 | 4-M12 深 15 | |||||||||||||
LQ4-80/110Y | RA | F12 | 166 | 287 | φ262 | 479 | 50 | 230 | 352.5 | 62 | 7 | φ176 | φ125 | 22×22 27×27 36×36 | 4-M12 深 18 | φ90 |
F14 | φ140 | 4-M16 深 25 | ||||||||||||||
RB | 12".14" | φ107.95 | 4-M12 深 20 | |||||||||||||
LQ4JS-200/250Y | RA | F14 | 166 | 287 | φ262 | 479 | 50 | 230 | 456.5 | 75 | 7 | φ215 | φ140 | 27×27 36×36 | 4-M16 深 25 | φ118 |
F16 | φ165 | 4-M20 深 25 | ||||||||||||||
RB | 16".18".20" | φ158.75 | 4-M18 深 25 | |||||||||||||
LQ4JS-300Y | RA | F16 | 166 | 287 | φ262 | 479 | 50 | 230 | 536.5 | 118 | 8 | φ350 | φ165 | φ0 | 4-M20 深 25 | φ118 |
F25 | φ254 | 4-M16 深 30 | φ150 | |||||||||||||
LQ4JS-400/600Y | RA | F16 | 166 | 287 | φ262 | 479 | 50 | 230 | 574.5 | 118 | 8 | φ350 | φ165 | φ0 | 4-M20 深 25 | φ150 |
F25 | φ254 | 4-M16 深 30 | ||||||||||||||
F30 | φ298 | 4-M20 深 35 | ||||||||||||||