性能參數
型號規格 | LQ1 | LQ2 | LQ3 | LQ4 | LQ4JS | |||||||||
-6 | -10 | -16 | -20 | -24 | -35 | -50 | -80 | -110 | -200 | -250 | -400 | -600 | ||
輸出扭矩(N.m) | 60 | 100 | 160 | 200 | 240 | 350 | 500 | 800 | 1100 | 2000 | 2500 | 4000 | 6000 | |
運行時間(S) | 26 | 26 | 28 | 28 | 28 | 32 | 32 | 36 | 36 | 110 | 110 | 180 | 180 | |
電機功率(W) | 20 | 20 | 40 | 40 | 45 | 60 | 90 | 120 | 180 | 120 | 180 | 120 | 180 | |
額定電流(A) | AC220V | 0.45 | 0.5 | 0.6 | 0.6 | 0.7 | 0.9 | 1.3 | 1.5 | 2.2 | 1.5 | 2.2 | 1.5 | 2.2 |
AC110V | - | 1.0 | 1.45 | 1.5 | 1.6 | 1.8 | 3.2 | 3.9 | 4.2 | 3.9 | 4.2 | 3.9 | 4.2 | |
AV440V | - | 0.26 | 0.30 | 0.35 | 0.39 | 0.42 | 0.86 | 1.2 | 1.6 | 1.2 | 1.6 | 1.2 | 1.6 | |
AC415V | - | 0.24 | 0.28 | 0.32 | 0.37 | 0.40 | 0.81 | 1.15 | 1.55 | 1.15 | 1.55 | 1.15 | 1.55 | |
AC380V | - | 0.22 | 0.25 | 0.3 | 0.35 | 0.38 | 0.8 | 1.1 | 1.5 | 1.1 | 1.5 | 1.1 | 1.5 | |
AC/DC 24V | - | 1.7 | 2.0 | 2.2 | 2.8 | 4.0 | 6.9 | 9.8 | 12.5 | 9.8 | 12.5 | 9.8 | 12.5 | |
手輪轉圈數 | 10 | 12 | 13 | 14.5 | 46 | 73 | ||||||||
參考重量(Kg) | 12 | 18 | 22 | 23 | 28 | 30 | 54 | 56 | 108 | 110 | ||||
注:電氣接口:2-NPT3/4防爆堵頭,使用時用戶應根據選電纜加裝相應的防爆接頭或防爆填料函。
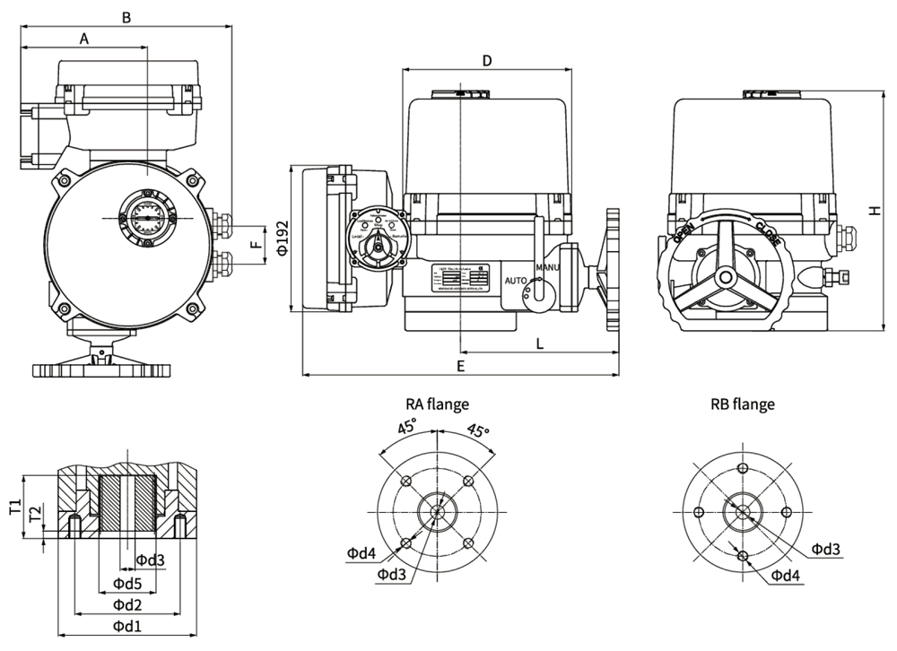
外形尺寸(mm)

型號 | 法蘭 | A | B | D | E | F | L | H | T1 | T2 | φd1 | φd2 | φd3 | φd4 | φd5 | |
LQ1-6/10ZA | RA | F05 | 153 | 245 | φ157 | 346 | 46 | 167 | 229 | 42 | 3 | φ92 | φ50 | 11×11 14×14 17×17 | 4-M6 深 12 | φ39 |
F07 | φ70 | 4-M8 深 12 | ||||||||||||||
RB | 2".3" | φ57.15 | 4-M6 深 12 | |||||||||||||
LQ2-16/20/24ZA | RA | F07 | 164.5 | 270 | φ206 | 404 | 50 | 197 | 261 | 49 | 3 | φ132 | φ70 | 14×14 17×17 22×22 | 4-M8 深 15 | φ48.5 |
F10 | φ102 | 4-M10 深 15 | ||||||||||||||
RB | 4".5".6" | φ69.85 | 4-M10 深 15 | |||||||||||||
LQ3-35/50ZA | RA | F10 | 166.5 | 277 | φ222 | 415 | 50 | 208 | 315 | 51 | 5 | φ146 | φ102 | 14×14 17×17 22×22 | 4-M10 深 15 | φ48.5 |
F12 | φ125 | 4-M12 深 15 | ||||||||||||||
RB | 8".10" | φ88.9 | 4-M12 深 15 | |||||||||||||
LQ4-80/110ZA | RA | F12 | 176 | 297 | φ262 | 452 | 50 | 230 | 352.5 | 62 | 7 | φ176 | φ125 | 22×22 27×27 36×36 | 4-M12 深 18 | φ90 |
F14 | φ140 | 4-M16 深 25 | ||||||||||||||
RB | 12".14" | φ107.95 | 4-M12 深 20 | |||||||||||||
LQ4JS-200/250ZA | RA | F14 | 176 | 297 | φ262 | 452 | 50 | 230 | 456.5 | 75 | 7 | φ215 | φ140 | 27×27 36×36 | 4-M16 深 25 | φ118 |
F16 | φ165 | 4-M20 深 25 | ||||||||||||||
RB | 16".18".20" | φ158.75 | 4-M18 深 25 | |||||||||||||
LQ4JS-300ZA | RA | F16 | 176 | 297 | φ262 | 452 | 50 | 230 | 536.5 | 118 | 8 | φ350 | φ165 | φ0 | 4-M20 深 25 | φ118 |
F25 | φ254 | 4-M16 深 30 | φ150 | |||||||||||||
LQ4JS-400/600ZA | RA | F16 | 176 | 297 | φ262 | 452 | 50 | 230 | 574.5 | 118 | 8 | φ350 | φ165 | φ0 | 4-M20 深 25 | φ150 |
F25 | φ254 | 4-M16 深 30 | ||||||||||||||
F30 | φ298 | 4-M20 深 35 | ||||||||||||||